





DETAILS B.E. by FCML
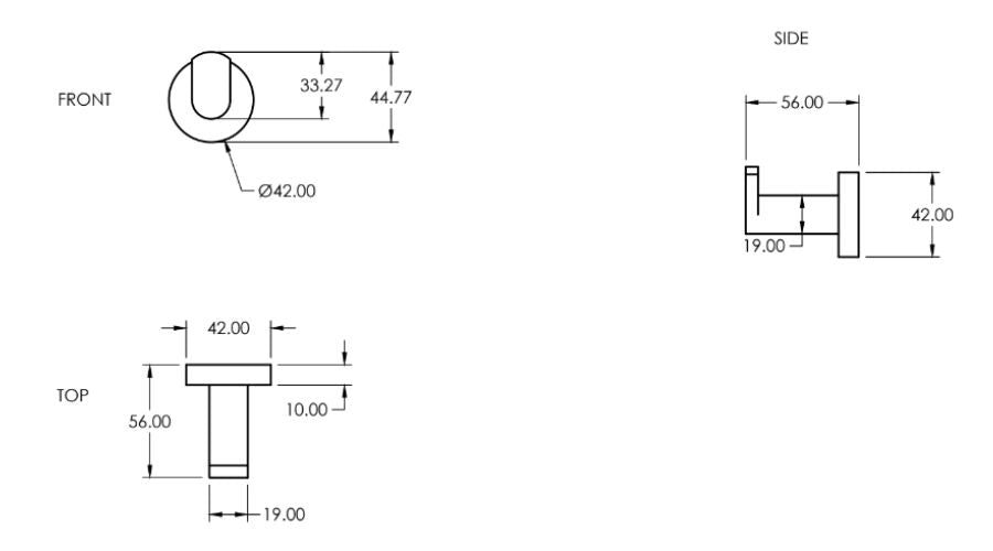
Luna-Robe Hook
The mythical R Roman Goddess, Luna, is the divine embodiment of the Moon. Her celestial aura is a perfect orb that sits at the heart of this collection. Available in finishes matt and metallic, colours Copper, Matt Black and Chrome. Clean lines and modern beauty makes the Luna Collection the first choice of Dreamers, Mystics and Trailblazers.
Technical Drawing


