



DETAILS B.E. by FCML
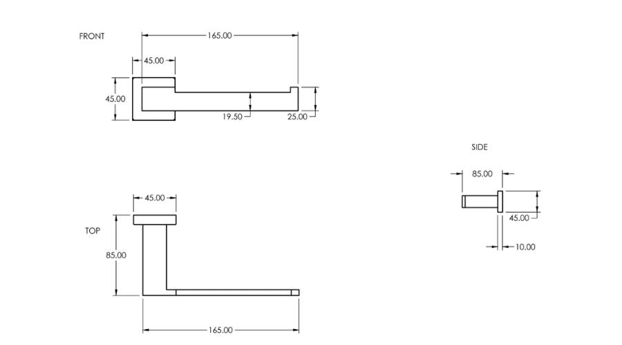
Quad-Toilet Paper Holder
Powerful and sleek, our Quad Collection takes its name from the latin word, Quadri, or “four.” The bedrock of its design are four strong corners. These represent a steady foundation on which great futures are built. Available in finishes matt and metallic, colours Copper, Matt Black and Chrome. The strength and versatility of the Quad collection makes it fit for the Change Makers, Innovators and Leaders.
Technical Drawing

